Nouzové požární tlačítko, s osvětleným tlačítkem, IP55, červená GEWISS GW42201
Kód: GW42201Detailní popis produktu
Požární tlačítko v krabici se sklem a dvěma kontaktními jednotkami v dodávce (1x NC + 1x NO). Tlačítko umožňuje instalaci s možností až 4 kontaktů dle potřeby najednou. Další kontaktní jednotky se objednávají zvlášť.
- Krytí: IP 55
- Barva: RAL 3000 červená
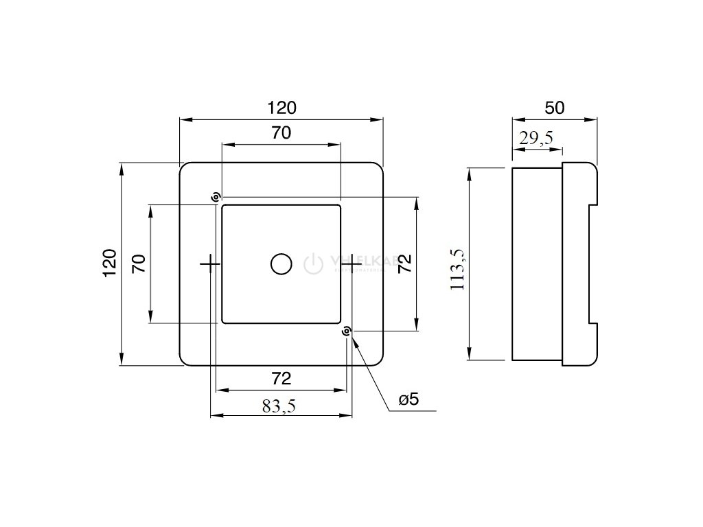
- Velikost: 120 x 120 x 50 mm
- Kontakty: 1x NO 3 A / 240 V, 1x NC 3 A / 240 V
Možnost instalace až 4 nezávislých spínacích (NO) nebo rozpínacích (NC) kontaktů.
Možnost instalace podsvícení tlačítka (doutnavka se dodává samostatně).
Doplňkové parametry
| Kategorie: | NOUZOVÉ A POŽÁRNÍ |
|---|---|
| Hmotnost: | 0.3 kg |
| EAN: | 8011564033412 |
Buďte první, kdo napíše příspěvek k této položce.
Přidat komentář
